top of page
The Original Blue Cup People
Have you seen our new website
sales@dart-vacuum.com
+44 (0) 208 464 5001
HOME
BACK TO REGULAR CUPS
To place an order, enquire about the price and check
availability,
CONTACT US
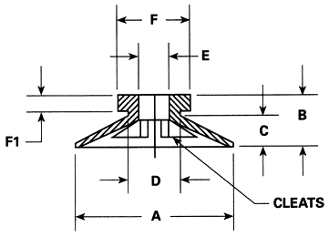
VC100A
Specifications
Cup Dimensions:
bottom of page